
概述:
9-19、9-26系列的離心通風機基本都是用在鍛冶爐還有高壓強制的通風上面,并且普遍的應用在運輸物料、運輸空氣還有無腐蝕性,沒有包含粘性物質的氣體,包含的塵土還有硬質的顆粒物質不高于150 mg/m3,介質的溫度不可以大于80℃。
型式 :
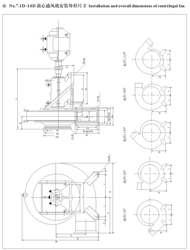
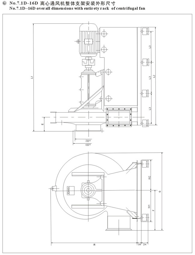
本系列風機分為No.4-16共有13種機號,出風口角度有0°、45°、90°、135°、180°、225°共6種,No.4-6.3為A式傳動,No.7.1-16為D式傳動,均為單吸式。
結構:
風機主要由機殼、葉輪、集風器、軸承箱和傳動組成。 葉輪由前向彎曲型葉片、曲線型輪蓋和平板中盤及鑄鋼輪轂所組成,9-19型風機葉片為12片,9-26型風機葉片為16片,成型后經靜、動平衡校正,故運轉平穩可靠。 機殼采用優質鋼板蝸形線焊接成整體。集風器制成收斂式流線型的整體結構,用螺栓固定在前蓋板上。
傳動部主軸選用的是優質碳鋼制造而成,并且用聯軸器傳動。 可按照用戶需求配制減振臺座。
訂貨須知 :
訂貨時應標注寫明風機型號、轉速、流量、風壓(靜壓)、用途、傳動方式、旋轉方向、出風口角度、以及電機型號規格等。如有特殊要求,訂貨時應及時提出。












